KM Japan MRL Traction Machine | KANEKO Gearless Traction Machine
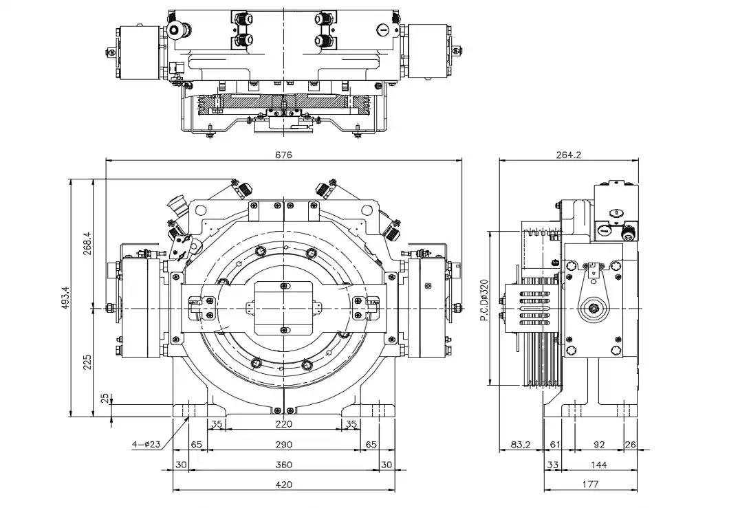
KANEKO (KM) Elevator Traction Machine is a specialized permanent-magnet synchronous gearless motor (PMSM) designed to propel vertical transportation systems with maximum efficiency and reliability. 1 This design choice reflects the industry shift toward compact, powerful, and low-energy consumption drives, capable of installation in both traditional Machine Room (MR) and modern Machine Room-Less (MRL) environments. The KM series distinguishes itself through proprietary design elements that address common performance challenges associated with high-duty cycle traction systems.
KANEKO (KM) Elevator Traction Machine is engineered to serve as the highly efficient core of modern vertical transportation systems, whether serving low-to-mid-rise residential buildings or high-traffic high rise buildings. This technology seamlessly integrates into both Machine Room (MR) and Machine Room-Less (MRL) configurations, providing developers and modernization consultants with unmatched deployment flexibility. The KM machine, utilizing advanced Permanent Magnet Synchronous Gearless Motor (PMSM) technology, delivers a remarkable combination of high efficiency, robust weight capacity, and whisper-quiet operation—qualities essential for today's sustainability and comfort requirements. The compact, flat, or bar-shaped design is engineered specifically to maximize hoistway utilization, a key benefit in space-constrained projects, and represents the remarkable quality and outstanding performance expected of leading elevator components.
Technical Specifications and Building Applications
Choosing between the MR and MRL type depends entirely on the project's specific requirements.
-
For High-Rise Buildings & Heavy-Duty Commercial Use: The KANEKO KM MR-type machine is the recommended solution. Its design supports higher speeds and greater weight capacity demands, ensuring reliable performance in skyscrapers and intense commercial settings.
-
For Residential Buildings & Low-to-Mid-Rise Commercial Use: The KANEKO KM MRL-type machine is the ideal choice. Its compact, machine room-less design saves valuable space, and its quiet, efficient operation is perfectly suited for hotels, apartments, and office buildings where noise and space are critical concerns.
-
For Modernization Projects: The KM MRL machine is often selected to modernize older systems, providing new technology and energy savings without the footprint of a machine room. Conversely, the KM MR type can be a direct, high-performance replacement for an existing machine-room-based system.
Technical Specifications:

Dimensions:
